Дом > продукты > Морской стрейнер морской воды >
Технические параметры для фильтров забортной воды AS300 CB/T497 - ФИЛЬТР ЗАБОРТНОЙ ВОДЫ AS300 CBM1061-81

Технические параметры для фильтров забортной воды AS300 CB/T497 - ФИЛЬТР ЗАБОРТНОЙ ВОДЫ AS300 CBM1061-81

Морской фильтр забортной воды AS300

Фильтр забортной воды CB/T497

Морской фильтр CBM1061-81

Место происхождения:

Янчжоу, Цзянсу, Китай

Фирменное наименование:

FEIHANG

Сертификация:

Factory certificate, test report, material report

Номер модели:

Сквозной тип и прямоугольный тип

Свяжитесь мы

Спросите цитату
Детали продукта
Название продукта:
Симплексный фильтр для морской воды,Симплексный фильтр для грубой очистки воды
Стандарты дизайна:
CB/T497-2012 и в соответствии с требованиями заказчика
МЕДИАННАЯ ФУНКЦИЯ:
Морская вода
Номинальный диаметр:
12"-DN300
Номинальное давление:
00,5-1,5 МПа
Испытательное давление:
0,75-2,5 МПа
Материал корпуса:
углеродистая сталь и нержавеющая сталь
Фильтр элемент:
Нержавеющая сталь
Перфорация фильтра:
1-10 мм
Фланец:
JLS B 2210, ANSI B 16,5, DIN и другие материалы.
Форма:
УГЛОВОЙ ТИП и прямой
Наполнители:
Нитриловая резина, резина EPDM, ПТФЭ, фторкаучук и т. д.
Обработка поверхности:
Горячее цинкование и эпоксидное покрытие
Настроить внизу:
Выгрузочное отверстие
Установка на крышке:
Выхлопной клапан
Подъем:
подъемный рычаг, подъемное ухо,
Типы вытяжки/дренажа:
винты, фланцы, клапаны и т. д.
Покрытие:
Эпоксидная смола, не содержащая смол, нитриловый каучук, полиэтилен, горячеоцинкованный, FB, E&
Условия оплаты & доставки
Количество мин заказа
1 шт.
Цена
Discuss personally
Упаковывая детали
Экспортная упаковка
Время доставки
5-7 дней
Условия оплаты
100% предоплата
Поставка способности
100 шт/день
Характер продукции
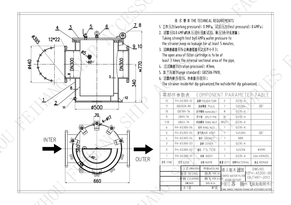
Технические параметры для морских фильтров AS300 CB/T497 - AS300 CBM1061-81 ФИЛЬТРЫ ДЛЯ МОРСКОЙ ВОДЫ
Описание продукта

ВОДЯНЫЕ ФИЛЬТРЫ-ФИЛЬТРЫ ДЛЯ МОРСКОЙ ВОДЫ-ФИЛЬТРЫ ДЛЯ МОРСКОЙ ВОДЫ
Стандарт реализации CB/T497-2012

Технические параметры для фильтров забортной воды AS300 CB/T497 - ФИЛЬТР ЗАБОРТНОЙ ВОДЫ AS300 CBM1061-81 0

Этот стандарт применим к проектированию, изготовлению и приемке фильтров для морских систем трубопроводов забортной и пресной воды.

Настоящий стандарт (CB/T497-2012) определяет классификацию, требования, методы испытаний, правила инспекции, маркировку и упаковку всасывающих фильтров грубой очистки воды (далее именуемых фильтрами для морской воды) с размерами фланцевых соединений и уплотнительными поверхностями в соответствии с GB/T569 и GB/T 2501 или другими.

Детали морского водяного фильтра

ФИЛЬТР ДЛЯ МОРСКОЙ ВОДЫ - ФИЛЬТРЫ ДЛЯ МОРСКОЙ ВОДЫ
Морской фильтр грубой очистки воды - Симплексные фильтры - Стальной пластинчатый водяной фильтр

Технические параметры для фильтров забортной воды AS300 CB/T497 - ФИЛЬТР ЗАБОРТНОЙ ВОДЫ AS300 CBM1061-81 1

Морской фильтр для морской воды:Морской стальной пластинчатый фильтр для морской воды может быть оснащен либо болтовым, либо быстросъемным шарнирным болтовым кожухом, что делает его очень адаптируемым для различных применений. Морской фильтр для морской воды, произведенный Yangzhou Aviation Ship Accessories Factory, разработан для простоты обслуживания - просто откройте крышку и выньте фильтрующий элемент для очистки.

Типы морских фильтров для морской воды
Технические параметры для фильтров забортной воды AS300 CB/T497 - ФИЛЬТР ЗАБОРТНОЙ ВОДЫ AS300 CBM1061-81 2
  • Тип A - Размер фланцевого соединения и уплотнительная поверхность в соответствии с GB/T569 прямоточный всасывающий фильтр грубой очистки воды
  • Тип AS - размер фланцевого соединения и уплотнительная поверхность в соответствии с GB/T2501 прямоточный всасывающий фильтр грубой очистки воды - фильтр для морской воды
  • Тип BR - размер фланцевого соединения и уплотнительная поверхность в соответствии с GB/T569 угловой всасывающий фильтр грубой очистки воды - фильтр для морской воды
  • Тип BRS - размер фланцевого соединения и уплотнительная поверхность в соответствии с GB/T 2501 угловой всасывающий фильтр грубой очистки воды - фильтр для морской воды
  • Тип BL - размер фланцевого соединения и уплотнительная поверхность в соответствии с GB/T569 левый угловой всасывающий фильтр грубой очистки воды - фильтр для морской воды
  • Тип BLS - размер фланцевого соединения и уплотнительная поверхность в соответствии с GB/T2501 левый угловой всасывающий фильтр грубой очистки воды - фильтр для морской воды
Особенности продукта
Технические параметры для фильтров забортной воды AS300 CB/T497 - ФИЛЬТР ЗАБОРТНОЙ ВОДЫ AS300 CBM1061-81 3
  • Название продукта: Морской фильтр для морской воды
  • Наполнители: нитрильный каучук, EPDM-каучук, PTFE, фторкаучук и т. д.
  • Стандарты проектирования: CB/T497-2012
  • Установлен на крышке: выпускной клапан
  • Установлен внизу: выпускной порт
  • Фильтрующая сетка: 1-10 мм
Технические характеристики
Технические параметры для фильтров забортной воды AS300 CB/T497 - ФИЛЬТР ЗАБОРТНОЙ ВОДЫ AS300 CBM1061-81 4
Параметр Значение
РАБОЧЕЕ ДАВЛЕНИЕ 0,5 МПа - 1,0 МПа
ОБРАБОТКА ПОВЕРХНОСТИ Горячее цинкование и эпоксидное покрытие
Применение Морская вода, пресная вода
Фильтрующая сетка 1-10 мм
Установлен на крышке Выпускной клапан
Медианная функция Вода
Материал корпуса Углеродистая сталь и нержавеющая сталь
Тип соединения Фланцевый
Установлен внизу Выпускной порт
ФОРМА УГЛОВОЙ ТИП И Прямоточный
Информация для заказа
Технические параметры для фильтров забортной воды AS300 CB/T497 - ФИЛЬТР ЗАБОРТНОЙ ВОДЫ AS300 CBM1061-81 5 Технические параметры для фильтров забортной воды AS300 CB/T497 - ФИЛЬТР ЗАБОРТНОЙ ВОДЫ AS300 CBM1061-81 6
Применения
Технические параметры для фильтров забортной воды AS300 CB/T497 - ФИЛЬТР ЗАБОРТНОЙ ВОДЫ AS300 CBM1061-81 7 Технические параметры для фильтров забортной воды AS300 CB/T497 - ФИЛЬТР ЗАБОРТНОЙ ВОДЫ AS300 CBM1061-81 8
  • Морской фильтр для морской воды - Морской фильтр грубой очистки воды AS300 CB/T497-1994
  • Морские фильтры для морской воды - Морской фильтр грубой очистки воды AS300 CB/T497-1994
  • фильтр для морской воды - фильтр грубой очистки воды для вспомогательного оборудования AS300 CB/T497-2012
  • Фильтр для морской воды - Фильтр грубой очистки воды AS300 CB/T497-2012 для универсального насоса
  • AS300 CB/T497-1994 Морские фильтры для морской воды - Фильтры грубой очистки воды
  • Прямоточный морской фильтр для морской воды, фильтр для морской воды - фильтр грубой очистки воды AS300 CB/T497-1994
  • фильтр для морской воды - фильтр грубой очистки воды для системы охлаждения морской водой AS300 CB/T497-1994
  • CB/T497-1994 Система противопожарной защиты балласта Фильтр для морской воды - Фильтр грубой очистки воды AS300
  • фильтр для морской воды - фильтр грубой очистки воды для входного отверстия главного насоса морской воды модель: AS300 CB/T497-1994
  • фильтр для морской воды - фильтр грубой очистки воды для входного отверстия вспомогательного насоса морской воды модель: AS300 CB/T497-1994

Случаи применения продукта и сценарии для морского фильтра для морской воды FEIHANG:

Морской фильтр для морской воды FEIHANG L-TYPE (УГЛОВОЙ ТИП) является важным компонентом для различных морских применений, связанных с фильтрацией морской и пресной воды. Его высококачественная конструкция делает его идеальным для использования в сложных морских условиях.

Разработанный и изготовленный в Янчжоу, провинция Цзянсу, Китай, этот морской фильтр для морской воды сертифицирован с сертификатом завода, отчетом об испытаниях и отчетом о материалах, что обеспечивает его надежность и производительность. Продукт соответствует стандартам проектирования CB/T497-2012, гарантируя его качество и соответствие отраслевым спецификациям.

С минимальным объемом заказа 1 штука, клиенты могут удобно приобрести этот важный морской всасывающий фильтр грубой очистки воды. Детали ценообразования могут быть обсуждены лично, а продукт поставляется с экспортной упаковкой для безопасной доставки.

Морской фильтр для морской воды FEIHANG имеет быстрое время доставки 5-7 дней, что позволяет своевременно установить и использовать его. Условия оплаты требуют 100% предоплаты, а производительность 100 штук в день обеспечивает доступность для различных морских проектов.

Его универсальная конструкция позволяет применять его как в морской, так и в пресной воде, что делает его универсальным решением для различных морских сценариев. Фильтр поставляется как в УГЛОВОМ ТИПЕ, так и в прямоточном исполнении, удовлетворяя различные требования к установке.

Благодаря обработке поверхности горячим цинкованием и эпоксидным покрытием, этот фильтр для морской воды из нержавеющей стали обладает высокой прочностью и коррозионной стойкостью, обеспечивая долгосрочную производительность в суровых морских условиях. С номинальным диаметром 12" (DN300) он подходит для различных размеров труб, обычно используемых в морских системах.

Процесс производства
Технические параметры для фильтров забортной воды AS300 CB/T497 - ФИЛЬТР ЗАБОРТНОЙ ВОДЫ AS300 CBM1061-81 9

Морские фильтры для морской воды, производимые Yangzhou Aviation Ship Accessories Factory, строго соответствуют каждому производственному процессу, который включает в себя тщательный выбор сырья, затем прокатку его через листогибочную машину для формирования корпуса фильтра для морской воды, за которым следуют сварные соединения, фланцы и сварные соединения между корпусом фильтра, соединениями и фланцами для формирования предварительной формы. Затем фильтрующий картридж настраивается в соответствии с требованиями заказчика и, наконец, собирается.

Процесс тестирования
Технические параметры для фильтров забортной воды AS300 CB/T497 - ФИЛЬТР ЗАБОРТНОЙ ВОДЫ AS300 CBM1061-81 10

Каждый морской фильтр для морской воды, произведенный Yangzhou Aviation Ship Accessories Factory, прошел строгий контроль и испытания, и при поставке предоставляется сертификат испытаний.

После завершения сборки фильтра для морской воды проводится гидростатическое испытание с испытательным давлением, в 1,5 раза превышающим рабочее давление, в течение 5 минут без утечек.

Меры по предотвращению коррозии
Технические параметры для фильтров забортной воды AS300 CB/T497 - ФИЛЬТР ЗАБОРТНОЙ ВОДЫ AS300 CBM1061-81 11

В соответствии с различными требованиями заказчика, внутренняя часть этого морского фильтра грубой очистки воды - морского фильтра для морской воды может быть выбрана из: эпоксидного лакокрасочного покрытия, обработки горячим цинкованием, обработки распылением, обработки резиновой футеровкой:

Технические параметры для фильтров забортной воды AS300 CB/T497 - ФИЛЬТР ЗАБОРТНОЙ ВОДЫ AS300 CBM1061-81 12

В соответствии с различными требованиями заказчика, поверхность этого морского фильтра грубой очистки воды - морского фильтра для морской воды может быть выбрана из: эпоксидного лакокрасочного покрытия, обработки горячим цинкованием:

Упаковка и доставка
Технические параметры для фильтров забортной воды AS300 CB/T497 - ФИЛЬТР ЗАБОРТНОЙ ВОДЫ AS300 CBM1061-81 13

ФИЛЬТР ДЛЯ МОРСКОЙ ВОДЫ И ФИЛЬТРЫ ДЛЯ МОРСКОЙ ВОДЫ надежно упакован в экспортный деревянный ящик, предназначенный для защиты во время транспортировки. На коробке четко указано название продукта и любые соответствующие инструкции по обращению. Затем используйте надежную транспортную компанию для доставки его клиенту.

Мы являемся квалифицированным производителем (ФИЛЬТР ДЛЯ МОРСКОЙ ВОДЫ И ФИЛЬТРЫ ДЛЯ МОРСКОЙ ВОДЫ) в Китае, и наша продукция экспортируется клиентам по всему миру, таким как Сингапур, Дубай, Гамбург, Объединенные Арабские Эмираты, Нидерланды, Южная Корея, Мексика, Таиланд, Индонезия, Вьетнам, Филиппины, Великобритания и т. д.

Название продукта:Морской фильтр для морской воды

Описание:Этот высококачественный морской фильтр для морской воды предназначен для эффективной фильтрации мусора и примесей из морской воды, обеспечивая бесперебойную работу морского оборудования.

В комплект входит:Морской фильтр для морской воды, инструкции по установке

Информация о доставке:Этот продукт будет тщательно упакован для обеспечения безопасной доставки. Время доставки может варьироваться в зависимости от местоположения.

Поставки клиентам
Технические параметры для фильтров забортной воды AS300 CB/T497 - ФИЛЬТР ЗАБОРТНОЙ ВОДЫ AS300 CBM1061-81 14 Технические параметры для фильтров забортной воды AS300 CB/T497 - ФИЛЬТР ЗАБОРТНОЙ ВОДЫ AS300 CBM1061-81 15 Технические параметры для фильтров забортной воды AS300 CB/T497 - ФИЛЬТР ЗАБОРТНОЙ ВОДЫ AS300 CBM1061-81 16 Технические параметры для фильтров забортной воды AS300 CB/T497 - ФИЛЬТР ЗАБОРТНОЙ ВОДЫ AS300 CBM1061-81 17 Технические параметры для фильтров забортной воды AS300 CB/T497 - ФИЛЬТР ЗАБОРТНОЙ ВОДЫ AS300 CBM1061-81 18 Технические параметры для фильтров забортной воды AS300 CB/T497 - ФИЛЬТР ЗАБОРТНОЙ ВОДЫ AS300 CBM1061-81 19
Часто задаваемые вопросы
В: Какое фирменное наименование этого морского фильтра для морской воды?
О: Фирменное наименование - FEIHANG.
В: Какой номер модели этого морского фильтра для морской воды?
О: Номер модели - L-TYPE (УГЛОВОЙ ТИП).
В: Где производится этот морской фильтр для морской воды?
О: Он производится в Янчжоу, провинция Цзянсу, Китай.
В: Какие сертификаты имеет этот морской фильтр для морской воды?
О: Он поставляется с сертификатом завода, отчетом об испытаниях и отчетом о материалах.
В: Каков минимальный объем заказа для этого морского фильтра для морской воды?
О: Минимальный объем заказа - 1 штука.

Отправьте ваше дознание сразу в нас

Политика уединения Качество Китая хорошее Головка морского вентиляционного отверстия Поставщик. © авторского права 2023-2025 fh-marine.com . Все права защищены.